
CCD型電動超高真空插板閥是通過電動裝置驅動閥桿帶動閥板作上下運動,達到真空閥門的開啟或關閉目的,從而接通或切斷真空管路中的氣流。CCD型電動超高真空插板閥適用介質為純凈空氣或非腐蝕性氣體。CCD型電動超高真空插板閥帶反饋信號裝置。
主要技術性能
插板閥適用范圍: 105~1.3x10-7Pa(DN≤200); 105~6.7x10-7Pa(DN≥250)
插板閥閥門漏率: ≤6.7x10-8 Pa.L/S(DN≤200); ≤1.3x10-7 Pa.L/S((DN≥250)
插板閥適用溫度: -30~+150℃
插板閥開啟壓差: ≤2.7x103 Pa.
插板閥電源電壓: 220V/50Hz
插板閥安裝狀態: 任意
主要零件材料:
閥體、閥板:不銹鋼
密封件:氟橡膠、波紋管(軸封)
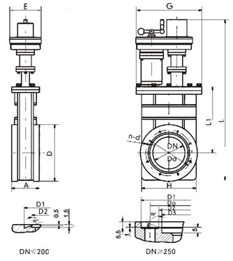
外形及連接尺寸(mm)

| Model 型號 | DN | A | H | D | Do | D1 | D2 | D3 | L | L1 | G | E | n-d | 法蘭標準 |
| CCD-50 | 50 | 60 | 92 | 89 | 72.4 | 61.6 | 55.6 | | 515 | 153 | 220 | 124 | 8-M8 | GB6071 |
| CCD-63 | 63 | 65 | 105 | 114 | 92.1 | 82.6 | 76.6 | | 566 | 180 | 220 | 124 | 8-M8 | |
| CCD-80 | 80 | 65 | 130 | 130 | 110 | 99 | 93 | | 603 | 200 | 220 | 124 | 16-M8 | |
| CCD-100 | 100 | 70 | 152 | 152 | 130.2 | 120.7 | 114.7 | | 653 | 267 | 220 | 124 | 16-M8 | |
| CCD-150 | 150 | 70 | 202 | 202 | 181 | 171.5 | 165.5 | | 771 | 350 | 270 | 150 | 20-M8 | |
| CCD-200 | 200 | 80 | 251 | 253 | 231.8 | 222.3 | 216.6 | | 889 | 424 | 270 | 150 | 24-M8 | |
| CCD-250 | 250 | 85 | 300 | 314 | 288 | 308 | 275 | 271 | 1127 | 574 | 350 | 200 | 24-M10 | JB5278 |
| CCD-300 | 300 | 85 | 352 | 365 | 338 | 353 | 323 | 318 | 1197 | 613 | 400 | 200 | 32-M10 | |
| CCD-320 | 320 | 85 | 372 | 385 | 357 | 379 | 344 | 340 | 1220 | 613 | 440 | 200 | 36-M10 | JB5278 |
| CCD-400 | 400 | 110 | 456 | 497 | 454 | 480 | 440 | 436 | 1480 | 810 | 536 | 200 | 36-M12 | |
| CCD-500 | 500 | 135 | 595 | 590 | 555 | 580 | 540 | 536 | 1580 | 870 | 640 | 220 | 40-M12 | |
| CCD-630 | 630 | 135 | 690 | 700 | 658 | 680 | 639 | 635 | 1730 | 960 | 780 | 220 | 40-M16 | |
| CCD-800 | 800 | 150 | 880 | 890 | 855 | 880 | 835 | 831 | 1960 | 1100 | 950 | 220 | 60-M16 |
