
CC超真空手動插板閥
CC型手動超高真空插板閥是通過操作手柄帶動閥板運動達到閥門的開啟或關閉目的。用于接通或切斷真空管路中的氣流。適用介質為純凈空氣或非腐蝕性氣體。
高真空手動插板閥是通過手柄以螺桿傳動推動鋼球架運動,撐開閥板關閉,又靠彈簧支架收攏閥板,打開后再退出的真空閥門。高真空手動插板閥門適用于超高真空系統(tǒng)中接通或截止氣流之用。高真空系統(tǒng)中接通或截止氣流之用。高真空手動插板閥適用的工作介質為潔凈的空氣和非腐蝕性氣體。
高真空手動插板閥主要技術性能
適用范圍(Pa) 105~1.3x10-7
閥門漏率(Pa.L/S) :DN≤200為≤1.3x10-7;DN≥250為≤6.7x10-7
閥門烘烤溫度(℃) ≤150(除傳動裝置外)
開閥時閥板兩側壓力差(Pa) ≤2.7x103
閥板密封件 氟橡膠
軸封處密封件 不銹鋼波紋管
CC型手動超高真空插板閥是以手柄帶動閥板作上下運動使閥板開啟或關閉。真空閥門用于接通或切斷真空管路中的氣流。

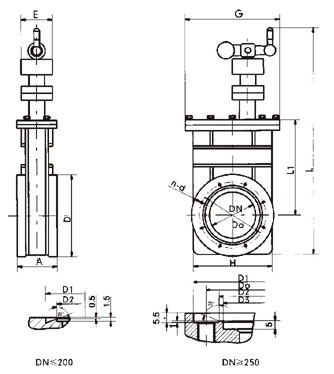
CC型手動超高真空插板閥尺寸資料
| Model 型號 | DN | A | H | D | Do | D1 | D2 | D3 | L | L1 | G | E | n-d | 法蘭標準 |
| CC-50 | 50 | 60 | 92 | 89 | 72.4 | 61.6 | 55.6 | | 515 | 153 | 220 | 124 | 8-M8 | GB6071 |
| CC-63 | 63 | 65 | 105 | 114 | 92.1 | 82.6 | 76.6 | | 566 | 180 | 220 | 124 | 8-M8 | |
| CC-80 | 80 | 65 | 130 | 130 | 110 | 99 | 93 | | 603 | 200 | 220 | 124 | 16-M8 | |
| CC-100 | 100 | 70 | 152 | 152 | 130.2 | 120.7 | 114.7 | | 653 | 267 | 220 | 124 | 16-M8 | |
| CC-150 | 150 | 70 | 202 | 202 | 181 | 171.5 | 165.5 | | 771 | 350 | 270 | 150 | 20-M8 | |
| CC-200 | 200 | 80 | 251 | 253 | 231.8 | 222.3 | 216.6 | | 889 | 424 | 270 | 150 | 24-M8 | |
| CC-250 | 250 | 85 | 300 | 314 | 288 | 308 | 275 | 271 | 1127 | 550 | 298 | 200 | 24-M10 | JB5278 |
| CC-300 | 300 | 85 | 352 | 365 | 338 | 353 | 323 | 318 | 1197 | 613 | 298 | 200 | 32-M10 | |
| CC-320 | 320 | 85 | 372 | 385 | 357 | 379 | 344 | 340 | 1197 | 613 | 298 | 200 | 36-M10 | JB5278 |
