
CCQ超真空氣動插板閥 Pneumatic Ultra-high Vacuum Gate Valve
CCQ型氣動超高真空插板閥是通過電磁換向閥改變氣路方向,控制執行氣缸驅動閥板作上下運動,達到閥門的開啟或關閉的目的。CCQ型氣動超高真空插板閥用于接通或切斷真空管路中的氣流。CCQ型氣動超高真空插板閥適用介質為純凈空氣或非腐蝕性氣體。CCQ型氣動超高真空插板閥帶反饋信號裝置。
CCQ pneumatic ultra-high vacuum gate valve uses solenoid directional valve to change the direction of air passage, and controls the actuating cylinder to drive the valve disc up and down to make the valve opened or closed. It is used to put through or cut off the air passage in vacuum pipeline. Applicable medium can be pure air and noncorrosive gases. CCQ pneumatic ultra-high vacuum gate valve With signal feedback device.
主要技術性能
適用范圍: 105~1.3x10-7Pa(DN≤200);105~6.7x10-7Pa(DN≥250)
閥門漏率: ≤6.7x10-8 Pa.L/S(DN≤200);≤1.3x10-7 Pa.L/S((DN≥250))
適用溫度: -30~+150℃
開啟壓差: ≤2.7x103 Pa.
氣源壓力: 0.4-0.6MPa
安裝狀態:任意
電源電壓:真空閥標準出廠:AC220V/50Hz,
特殊指定:AC110V,DC24V
主要零件材料
閥體、閥板:不銹鋼
密封件:氟橡膠、波紋管(軸封)
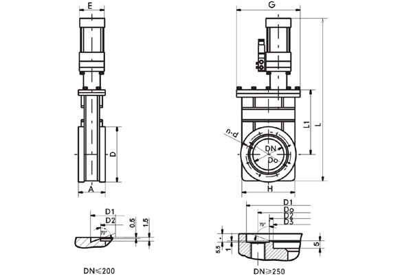
外形及連接尺寸(mm)


永嘉縣科本真空閥門廠成功研制氣動高真空插板閥、真空充氣閥類、高真空擋板閥類、高真空蝶閥類、真空球閥類、高真空微調閥類、高真空隔膜閥類、真空角座閥類、真空管道閥類等系列產品。公司以中國泵閥之鄉—溫州永嘉甌北為依托,充分利用區域和行業優勢,致力引進國際先進的管理經驗和科技創新、積極提升企業綜合實力,擴大市場占有率。優質的質量贏得了客戶的一致好評和信賴。在實施全面質量管理的基礎上,以精良的工藝裝備,先進合理的設計,專業化的生產,外觀與內在并重的質量理念和用戶至上的服務意識,及具有競爭力的成本,為您提供高品質且不斷改進的產品及優質服務,誠邀中外客商、各界用戶和同仁前來考察、洽談貿易,愿與您在成功的道路上攜手并進,共譜凱歌。
