真空管道連接件

真空元件就是在低于大氣壓下工作的元件;由真空元件組成的系統稱為真空系統(或負壓系統)。組成真空系統的典型真空元件包括射流真空泵、真空吸盤、真空壓力開關、模塊組合真空元件、真空配件、真空輸送系統和真空控制閥。
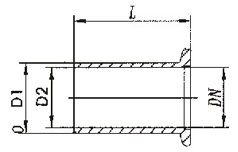
| | | | DN | D1 | D2 | L | 標準 | | 10 | 16 | 12 | 20/70 | GB4982-85 ISO-KF | | 16 | 20 | 16 | 20/70 | | 25 | 30 | 26 | 20/70 | | 40 | 45 | 41 | 20/70 | | 50 | 54 | 50 | 20/70 | |
| |
| | | | DN | L | L1 | 標準 | | 16 | 40 | 40 | GB4982-85 ISO-KF | | 25 | 50 | 50 | | 40 | 65 | 65 | | 50 | 70 | 70 | |
| |
| | | | DN | L | A | 標準 | | 16 | 80 | 40 | GB4982-85 ISO-KF | | 25 | 100 | 50 | | 40 | 130 | 65 | | 50 | 140 | 70 | |
| |
| | | | DN | A | 標準 | | 10 | 40 | GB4982-85 ISO-KF | | 16 | 50 | | 25 | 65 | | 40 | 70 | |
| |
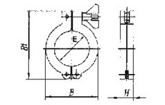
| | | | DN | B | B1 | H | E | 標準 | | 10/16 | 45 | 61 | 16 | 22 | GB4982-85 ISO-KF | | 20/25 | 55 | 72 | 17.5 | 32 | | 32/40 | 70 | 90 | 18 | 47 | | 50 | 95 | 123 | 25 | 61 | |
| |
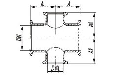
| | | | DN | DN1 | A | A1 | 標準 | | 25 | 16 | 35 | 35 | GB4982-85 ISO-KF | | 40 | 16 | 40 | 45 | | 50 | 16 | 50 | 50 | |
| |
| | | | DN | DN1 | 標準 | | 25 | 16 | GB4982-85 ISO-KF | | 40 | 16 | | 40 | 25 | | 50 | 25 | | 50 | 40 | |
| |
| | | | DN | L | 標準 | | 16 | 250 | 500 | 750 | 1000 | GB4982-85 ISO-KF | | 25 | 250 | 500 | 750 | 1000 | | 40 | 250 | 500 | 750 | 1000 | | 50 | 250 | 500 | 750 | 1000 | |
| |
| | | | DN | L | 標準 | | 16 | 80 | GB4982-85 ISO-KF | | 25 | 100 | | 40 | 130 | |
| |
| | | | DN | d | H | 標準 | | 10 | 30 | 5 | GB4982-85 ISO-KF | | 16 | 30 | 5 | | 25 | 40 | 5 | | 40 | 55 | 5 | | 50 | 75 | 6 | |
永嘉縣科本真空閥門廠位于浙江省永嘉縣江北街道浦西村市場東街23號 電話:0577-67318321 網站:http://www.zjdlsl.cn 郵箱:[email protected]。