
永嘉縣科本真空閥門廠是專業生產真空系統隔離閘閥、NKZ661H電動真空隔離閘閥【NKZ61H NKZ961H】的廠家,歡迎您來電話:0577-67318321 咨詢NKZ661H電動真空隔離閘閥,NKZ661H電動真空系統隔離閘閥價格,NKZ661H電動真空隔離閘閥廠家真空系統隔離閘閥 。
真空隔離閘閥主要性能規范
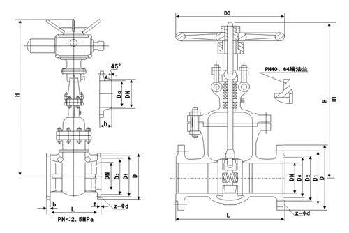
NKZ41H-16/NKZ941Y-16I NKZ44H-16/NKZ944Y-16I
| 產品類型 Product type | 適用介質 Applicable medium | 適用溫度/℃ Applicable temperature | ||
| 水、蒸汽、空氣 Water,Stram.Air | 真空隔離閘閥 ≤425 | ||
| 水、蒸汽、空氣 Water,Stram.Air | 真空隔離閘閥 ≤550 |
真空系統隔離閘閥主要零件材料
| 零件名稱 Part name | 閥體、閥蓋 Body Bonnet | 閥桿 Valve stem | 閥板 Wedge gate | 密封面 Sealing face | 閥桿螺母 Yoke nut | 填料 Packing | 緊固件 Fastener | ||
| WCB | 2Gr13 | 25 | H:合金鋼 H:alloy steel | 鋁青銅 Al bronze | 膨脹復合石墨 Expanding compound graphite | 優質碳鋼 High-grade carbon steel | ||
| 鉻鉬鋼 Cr.M0 steel | 20Cr1M01VA 38CrMoAIA | 鉻鉬鋼 Cr.Mo steel | Y:硬質合金 Y:carbide alloy | 鉻鉬鋼 Cr.Mo steel |
真空隔離閘閥主要尺寸及重量
| 公稱壓力 (PN/MPa) | 公稱通徑 DN(mm) | 真空閥主要外形尺寸和連接尺寸 | 重量(Kg) | 附法蘭尺寸(mm) | ||||||||||||
| L | H | D | D1 | D2 | b | f | D6 | f2 | z-d | W | h | D0 | Dn | |||
| 6.4 | 50 | 250 | 350 | 175 | 135 | 105 | 26 | 3 | 88 | 4 | 4-23 | 300 | 43 | 70 | 48 | 64 |
| 65 | 280 | 405 | 200 | 160 | 130 | 28 | 3 | 110 | 4 | 8-23 | 300 | 60 | 75 | 65 | 82 | |
| 80 | 310 | 435 | 210 | 170 | 140 | 30 | 3 | 121 | 4 | 8-23 | 350 | 78 | 75 | 76 | 95 | |
| 100 | 350 | 515 | 250 | 200 | 168 | 32 | 3 | 150 | 4.5 | 8-25 | 400 | 100 | 88 | 98 | 117 | |
| 125 | 400 | 580 | 295 | 240 | 202 | 36 | 3 | 176 | 4.5 | 8-30 | 400 | 140 | 98 | 128 | 150 | |
| 150 | 450 | 735 | 340 | 280 | 240 | 38 | 3 | 204 | 4.5 | 8-34 | 450 | 204 | 110 | 149 | 172 | |
| 200 | 550 | 835 | 405 | 345 | 300 | 44 | 3 | 260 | 4.5 | 12-34 | 550 | 317 | 116 | 197 | 223 | |
| 250 | 650 | 905 | 470 | 400 | 352 | 48 | 3 | 313 | 4.5 | 12-41 | 650 | 475 | 122 | 245 | 278 | |
| 300 | 750 | 1080 | 530 | 460 | 412 | 54 | 4 | 364 | 4.5 | 16-41 | 750 | 630 | 136 | 293 | 330 | |
| 350 | 850 | 1340 | 595 | 525 | 475 | 60 | 4 | 422 | 5 | 16-41 | 800 | 850 | 154 | 341 | 382 | |
| 400 | 950 | 1450 | 670 | 585 | 525 | 66 | 4 | 474 | 5 | 16-48 | 900 | 1096 | 170 | 386 | 432 | |
| 10.0 | 50 | 250 | 350 | 195 | 145 | 112 | 28 | 3 | 88 | 4 | 4-25 | 300 | 48 | 72 | 48 | 64 |
| 65 | 280 | 405 | 220 | 170 | 138 | 32 | 3 | 110 | 4 | 87-25 | 300 | 68 | 84 | 63 | 82 | |
| 80 | 310 | 435 | 230 | 180 | 148 | 34 | 3 | 121 | 4 | 8-25 | 350 | 89 | 90 | 74 | 95 | |
| 100 | 350 | 515 | 265 | 210 | 172 | 38 | 3 | 150 | 4.5 | 8-30 | 400 | 112 | 100 | 97 | 117 | |
| 125 | 400 | 580 | 310 | 250 | 210 | 42 | 3 | 176 | 4.5 | 8-34 | 400 | 156 | 115 | 124 | 150 | |
| 150 | 450 | 735 | 350 | 290 | 250 | 46 | 3 | 204 | 4.5 | 12-34 | 450 | 220 | 130 | 144 | 172 | |
| 200 | 550 | 835 | 430 | 360 | 312 | 54 | 3 | 260 | 4.5 | 12-41 | 550 | 352 | 145 | 189 | 223 | |
| 250 | 650 | 905 | 500 | 430 | 382 | 60 | 3 | 313 | 4.5 | 12-41 | 650 | 535 | 170 | 235 | 278 | |
| 300 | 750 | 1080 | 585 | 500 | 442 | 70 | 4 | 364 | 4.5 | 16-48 | 750 | 730 | 195 | 281 | 330 | |
| 350 | 850 | 1340 | 655 | 560 | 498 | 76 | 4 | 422 | 5 | 16-54 | 850 | 995 | 210 | 333 | 382 | |
| 400 | 950 | 1460 | 715 | 620 | 558 | 80 | 4 | 474 | 5 | 15-54 | 950 | 1265 | 220 | 376 | 432 | |
