
GI型手動高真空蝶閥 GI High Vacuum Butterfly Valve
GI型手動高真空蝶閥用于接通或切斷真空管路中的氣流。永嘉縣科本真空閥門廠制造的GI型手動高真空蝶閥系列產品適用介質為純凈空氣和非腐蝕性氣體。
GI high vacuum butterfly valve is used to put through or cut off the airflow in vacuum pipeline. Applicable medium can be pure air and noncorrosive gases.
主要技術性能 Main Technical Performance
適用范圍:Applicability 105~1.3×10-4Pa
閥門漏率:Valve Leak Rate ≤1.3×10-4Pa.L/S.
適用溫度:Applicable Temperature -25~+80℃(丁腈橡膠) ;-30~+150℃(氟橡膠)
安裝方向:Mounting Direction 任意
主要零件材料 Materials of Main Parts
閥體、閥蓋、閥桿:碳鋼或不銹鋼 Body, bonnet and stem: carbon steel or stainless steel
密封件:丁腈橡膠、氟橡膠。Sealing element: NBR, Viton
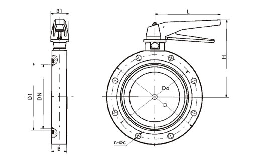
外形及連接尺寸(mm)(JB919) Overall and Connection Dimensions

| Model 型號 | DN | D | Do | D1 | B | H | B1 | L | n-φc |
| GI-32 | 32 | 78 | 64 | 36 | 22 | 32 | 36 | 115 | 4-φ7 |
| GI-40 | 40 | 85 | 70 | 44 | 22 | 40 | 36 | 115 | 4-φ7 |
| GI-50 | 50 | 110 | 90 | 55 | 22 | 50 | 36 | 115 | 4-φ9 |
| GI-65 | 65 | 125 | 105 | 70 | 26 | 130 | 38 | 135 | 4-φ9 |
| GI-80 | 80 | 145 | 125 | 85 | 30 | 140 | 38 | 135 | 4-φ9 |
| GI-100 | 100 | 170 | 145 | 105 | 30 | 153 | 38 | 135 | 4-φ12 |
| GI-150 | 150 | 220 | 195 | 156 | 35 | 179 | 40 | 165 | 8-φ12 |
| GI-200 | 200 | 275 | 250 | 208 | 40 | 208 | 40 | 185 | 8-φ12 |
| GI-250 | 250 | 330 | 300 | 258 | 45 | 234 | 45 | 300 | 8-φ14 |
| GI-300 | 300 | 380 | 350 | 308 | 55 | 300 | 55 | 350 | 8-φ14 |
| GI-400 | 400 | 500 | 465 | 408 | 60 | 340 | 60 | 500 | 8-φ18 |
