
ISO系列氣動高真空擋板閥(又稱高真空角閥)是用壓縮空氣為動力,通過電磁換向閥改變氣路方向,推動氣缸活塞上下運動,帶動閥桿上下運動,使閥板開啟或關閉,從而達到在真空系統中接通或切斷氣流的目的。ISO氣動擋板閥適用的工作介質為空氣及非腐蝕性氣體。
角閥是屬提升錐閥的一種。當提升錐被頂至頂端時, 閥門內部的結構腔是開放系統且氣體流動不受阻礙。一旦提升錐被移動至閥門底部時,橡膠密封圈被壓縮密封閥門,而阻絕氣體的流通達到密封之效果。永嘉縣科本真空閥門廠提供各式形式尺寸的閥門。它們有手動和氣動,有軟管與無軟管外,還有美規與歐規。接口端可以焊KF, ISO, CF法蘭也可以不焊。
- 本體: 不銹鋼304S.S. (可依客戶要求提供其它材質)
- 提升錐: 不銹鋼304S.S. (可依客戶要求提供其它材質)
- 接口端外徑: 3/4~8英吋
- 軟管: Welded AM-350(選配)
- 電磁閥:選配
- 密封: Viton O型環
- 漏率: 2×10-9 std.cc./second
- 使用壓力范圍: 2×10-9 torr 到760 torr
- 最大使用壓差: 1.2 Bar
- 作動空氣壓力: 4~6.5 kg/cm2
- 使用壽命: 16 到50~500,000次
- (閥門全開狀態): 63 到 150~250,000次 / 200以上視應用狀況而定
- 耐溫限制: 150°C Viton

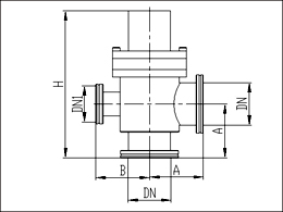
| 名 稱 | ISO 氣動高真空擋板閥 | |||||
| 規格說明 | ||||||
| Model No | GDQ-63 | GDQ-80 | GDQ-100 | GDQ-160 | GDQ-200 | GDQ-250 |
| DN | ISO63 | ISO80 | ISO100 | ISO160 | ISO200 | ISO250 |
| DN1 | DN40 | DN50 | DN63 | |||
| A | 88 | 88 | 108 | 138 | 200 | 208 |
| B | 138 | 200 | 208 | |||
| H(Reference) | 240 | 288 | 324 | 450 | 520 | 658 |
| Parts No | DV0001 | DV0002 | DV0003 | DV0004 | DV0005 | DV0006 |
